服務熱線
0577-67311065
0577-67379598

當前位置: 主頁 > 產品中心 > 二片/三片式球閥系列 > Q61F三片式對焊球閥 >
所屬類別:二片/三片式球閥系列
產品名稱:Q61F三片式對焊球閥
產品標簽:片式球閥,對焊球閥
更新時間:2021/6/23 10:20:05
訪問統計:
一、Q61F三片式對焊球閥產品概述:
1.公稱壓力:1.6-6.4MPa
2.適用穩定范圍:-20~232℃~350℃
3.適用介質:水、油、氣及某些腐蝕性液體(W。O。G)
4.螺紋類型:G。NPT。BSPT。BSP。DI259/2999
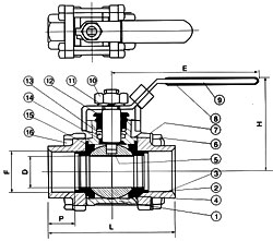
二、Q61F三片式對焊球閥主要材料:
1 |
零件名稱 |
材質 |
|
2 |
閥體 |
不銹鋼CF8M |
碳鋼WCB |
3 |
密封圈 |
聚四氟乙烯PTFE |
聚四氟乙烯PTFE |
4 |
閥蓋 |
不銹鋼CF8M |
碳鋼WCB |
5 |
球體 |
不銹鋼SS316 |
不銹鋼SS304 |
6 |
閥桿 |
不銹鋼SS316 |
不銹鋼SS316 |
7 |
螺母 |
不銹鋼SS304 |
不銹鋼SS304 |
8 |
墊圈 |
不銹鋼SS304 |
不銹鋼SS304 |
9 |
手柄套 |
塑料 |
塑料 |
10 |
手柄 |
不銹鋼SS304 |
不銹鋼SS304 |
11 |
閥桿螺母 |
不銹鋼SS304 |
不銹鋼SS304 |
12 |
填料壓蓋螺母 |
不銹鋼SS304 |
不銹鋼SS304 |
13 |
填料 |
聚四氟乙烯PTFE |
聚四氟乙烯PTFE |
14 |
止推墊圈 |
聚四氟乙烯PTFE |
聚四氟乙烯PTFE |
15 |
填料 |
聚四氟乙烯PTFE |
聚四氟乙烯PTFE |
16 |
螺栓 |
不銹鋼SS304 |
不銹鋼SS304 |
三、Q61F三片式對焊球閥技術參數:

SIZE |
1/4" |
143/8" |
17.51/2" |
3/4" |
1" |
1-1/4" |
1-1/2" |
2" |
2-1/2" |
3" |
4" |
D |
11.6 |
12.7 |
15 |
20 |
25 |
32 |
38 |
50 |
65 |
80 |
100 |
L |
60 |
60 |
70 |
85 |
95 |
110 |
130 |
150 |
190 |
210 |
268 |
H |
50 |
50 |
130 |
130 |
165 |
165 |
190 |
190 |
250 |
250 |
280 |
E |
100 |
100 |
22.7 |
27.5 |
33.5 |
42 |
48.6 |
60.5 |
76.3 |
90 |
106.5 |
上一個: Q11F兩片式球閥
下一個:Q61N三片式對焊球閥